| key | PART NO. | PART NAME | QTY | SERIAL NO. | 540 | 545 | 550 | REMARKS | 
|---|---|---|---|---|---|---|---|---|
| 1 | DC15689 | Yoke | 1 | X | ||||
| 2 | DC27923 | Universal Joint Yoke | 1 | X | ||||
| 3 | DC15137 | Cross And Bearing Assembly | 2 | X | ||||
| 4 | 58M5578 | Lubrication Fitting | 2 | X | ||||
| 5 | 40M1855 | Snap Ring | 8 | X | ||||
| 6 | CC15142 | Yoke | 1 | X | ||||
| 7 | 34M7012 | Spring Pin | 1 | X | ||||
| 8 | CC32374 | Tube | 1 | X | ||||
| 9 | DC17343 | Guard | 1 | X | ||||
| 10 | ES10321 | Link Chain | 1 | X | ||||
| key | PART NO. | PART NAME | QTY | SERIAL NO. | 540 | 545 | 550 | REMARKS | 
| 11 | CC21082 | Bushing | 1 | X | ||||
| CC16537 | Retainer | 1 | X | |||||
| 12 | DC17346 | Guard | 1 | X | ||||
| 13 | DC17348 | Drive Shaft | 1 | X | ||||
| 14 | DC18001 | Yoke | 1 | X | ||||
| 15 | 14H809 | Nut | 1 | X | ||||
| 16 | 19H1820 | Cap Screw | 1 | X | ||||
| 17 | CC16544 | Anchor | 4 | X | ||||
| 18 | DC17728 | Kit | 1 | X | ||||
| 19 | DC18000 | Kit | 1 | X | 
| key | PART NO. | PART NAME | QTY | SERIAL NO. | 540 | 545 | 550 | REMARKS | ||
|---|---|---|---|---|---|---|---|---|---|---|
| 1 | DC15689 | Yoke | 1 | - | 278000 | |||||
| DC15689 | Yoke | 1 | - | 279360 | ||||||
| 2 | DC27923 | Universal Joint Yoke | 1 | - | 278000 | |||||
| DC27923 | Universal Joint Yoke | 1 | - | 279360 | ||||||
| 3 | DC15137 | Cross And Bearing Assembly | 2 | - | 278000 | |||||
| DC15137 | Cross And Bearing Assembly | 2 | - | 279360 | ||||||
| 4 | 58M5577 | Lubrication Fitting | 2 | - | 278000 | |||||
| 58M5577 | Lubrication Fitting | 2 | - | 279360 | ||||||
| 5 | 40M1855 | Snap Ring | 8 | - | 278000 | |||||
| 40M1855 | Snap Ring | 8 | - | 279360 | ||||||
| key | PART NO. | PART NAME | QTY | SERIAL NO. | 540 | 545 | 550 | REMARKS | ||
| 6 | DC17348 | Drive Shaft | 1 | - | 278000 | |||||
| DC17348 | Drive Shaft | 1 | - | 279360 | ||||||
| 7 | ES10321 | Link Chain | 2 | - | 278000 | |||||
| ES10321 | Link Chain | 2 | - | 279360 | ||||||
| 8 | CC21085 | Universal Joint Bearing | 1 | - | 278000 | |||||
| CC21085 | Universal Joint Bearing | 1 | - | 279360 | ||||||
| 9 | ...... | Powershaft Shield | 1 | - | 278000 | |||||
| ...... | Powershaft Shield | 1 | - | 279360 | ||||||
| 10 | CC21082 | Bushing | 1 | - | 278000 | |||||
| CC21082 | Bushing | 1 | - | 279360 | ||||||
| key | PART NO. | PART NAME | QTY | SERIAL NO. | 540 | 545 | 550 | REMARKS | ||
| 11 | ...... | Powershaft Shield | 1 | - | 278000 | |||||
| ...... | Powershaft Shield | 1 | - | 279360 | ||||||
| 12 | CC32374 | Tube | 1 | - | 278000 | |||||
| CC32374 | Tube | 1 | - | 279360 | ||||||
| 13 | 34M7012 | Spring Pin | 1 | - | 278000 | |||||
| 34M7012 | Spring Pin | 1 | - | 270360 | ||||||
| 14 | CC15142 | Yoke | 1 | - | 278000 | |||||
| CC15142 | Yoke | 1 | - | 279360 | ||||||
| 15 | DC18001 | Yoke | 1 | - | 278000 | |||||
| DC18001 | Yoke | 1 | - | 279360 | ||||||
| key | PART NO. | PART NAME | QTY | SERIAL NO. | 540 | 545 | 550 | REMARKS | ||
| 16 | 14H809 | Nut | 1 | - | 278000 | |||||
| 14H809 | Nut | 1 | - | 279360 | ||||||
| 17 | 19H1820 | Cap Screw | 1 | - | 278000 | |||||
| 19H1820 | Cap Screw | 1 | - | 279360 | ||||||
| 18 | DC22079 | Universal Joint With Shaft | 1 | - | 278000 | |||||
| DC22079 | Universal Joint With Shaft | 1 | - | 279360 | ||||||
| 19 | DC22087 | Universal Joint With Shaft | 1 | - | 278000 | |||||
| DC22087 | Universal Joint With Shaft | 1 | - | 279360 | 
| key | PART NO. | PART NAME | QTY | SERIAL NO. | 540 | 545 | 550 | REMARKS | ||
|---|---|---|---|---|---|---|---|---|---|---|
| 1 | 19H1868 | Cap Screw | 8 | - | 278000 | |||||
| 19H1868 | Cap Screw | 8 | - | 279360 | ||||||
| 2 | 24H1254 | Washer | 16 | - | 278000 | |||||
| 24H1254 | Washer | 16 | - | 279360 | ||||||
| 3 | E53446 | Spring | 8 | - | 278000 | |||||
| E53446 | Spring | 8 | - | 279360 | ||||||
| 4 | E38904 | Clutch Plate | 1 | - | 278000 | |||||
| E38904 | Clutch Plate | 1 | - | 279360 | ||||||
| 5 | E39037 | Lining | 2 | - | 278000 | |||||
| E39037 | Lining | 2 | - | 279360 | ||||||
| key | PART NO. | PART NAME | QTY | SERIAL NO. | 540 | 545 | 550 | REMARKS | ||
| 6 | 58M5573 | Lubrication Fitting | 1 | - | 278000 | |||||
| 58M5573 | Lubrication Fitting | 1 | - | 279360 | ||||||
| 7 | C12665 | Bushing | 1 | - | 278000 | |||||
| C12665 | Bushing | 1 | - | 279360 | ||||||
| 8 | AE35554 | Hub | 1 | - | 278000 | |||||
| AE35554 | Hub | 1 | - | 279360 | ||||||
| 9 | 14H809 | Nut | 8 | - | 278000 | |||||
| 14H809 | Nut | 8 | - | 279360 | ||||||
| 10 | E50302 | Lock Nut | 2 | - | 278000 | |||||
| E50302 | Lock Nut | 2 | - | 279360 | ||||||
| key | PART NO. | PART NAME | QTY | SERIAL NO. | 540 | 545 | 550 | REMARKS | ||
| 11 | 19H1974 | Cap Screw | 2 | - | 278000 | |||||
| 19H1974 | Cap Screw | 2 | - | 279360 | ||||||
| 12 | 58M5577 | Lubrication Fitting | 1 | - | 278000 | |||||
| 58M5577 | Lubrication Fitting | 1 | - | 279360 | ||||||
| 13 | 40M6538 | Snap Ring | 4 | - | 278000 | |||||
| 40M6538 | Snap Ring | 4 | - | 279360 | ||||||
| 14 | DC22940 | Cross And Bearing Assembly | 1 | - | 278000 | |||||
| DC22940 | Cross And Bearing Assembly | 1 | - | 279360 | ||||||
| 15 | AE41887 | Universal Joint | 1 | - | 278000 | |||||
| AE41887 | Universal Joint | 1 | - | 279360 | ||||||
| key | PART NO. | PART NAME | QTY | SERIAL NO. | 540 | 545 | 550 | REMARKS | ||
| 16 | AE41904 | Shaft | 1 | - | 278000 | |||||
| AE41904 | Shaft | 1 | - | 279360 | 
| key | PART NO. | PART NAME | QTY | SERIAL NO. | 540 | 545 | 550 | REMARKS | ||
|---|---|---|---|---|---|---|---|---|---|---|
| 1 | DC27147 | Universal Joint Yoke | 1 | X | ||||||
| 2 | DC27148 | Pin Fastener | 1 | X | ||||||
| 3 | DC27149 | Cross And Bearing Assembly | 2 | X | ||||||
| 4 | DC208533 | Universal Joint Yoke | 1 | X | ||||||
| 5 | 58M5574 | Lubrication Fitting | 1 | X | ||||||
| 6 | CC27152 | Universal Joint Yoke | 1 | X | ||||||
| 7 | 34M6446 | Spring Pin | 2 | X | ||||||
| 8 | CC25619 | Structural Tube | 1 | X | ||||||
| 9 | DC30752 | Powershaft Shield | 1 | 300200 | - | |||||
| 10 | CC30753 | Powershaft Shield | 1 | 300200 | - | |||||
| key | PART NO. | PART NAME | QTY | SERIAL NO. | 540 | 545 | 550 | REMARKS | ||
| 11 | 37M7067 | Screw | AR | X | ||||||
| 12 | W36510 | Ring | 2 | X | ||||||
| 13 | Z35679 | Link Chain | 2 | X | ||||||
| 14 | DC30762 | Powershaft Shield | 1 | 300200 | - | |||||
| 15 | W37216 | Cap | 1 | X | ||||||
| 16 | DC25606 | Powershaft Shield | 1 | X | ||||||
| 17 | DC25604 | Powershaft Shield | 1 | X | ||||||
| 18 | CC25620 | Structural Tube | 1 | X | ||||||
| 19 | Z39890 | Universal Joint Yoke | 1 | X | ||||||
| 20 | AZ24656 | Spider | 1 | X | ||||||
| key | PART NO. | PART NAME | QTY | SERIAL NO. | 540 | 545 | 550 | REMARKS | ||
| 21 | DC27129 | Slip Clutch | 1 | X | ||||||
| 22 | CC27099 | Lubrication Fitting | 1 | X | ||||||
| 23 | CC27098 | Ball | 24 | X | ||||||
| 24 | CC27097 | Universal Joint Yoke | 1 | X | ||||||
| 25 | CC27096 | Hub | 1 | X | ||||||
| 26 | 19M7269 | Cap Screw | 1 | X | ||||||
| 27 | 14M7166 | Lock Nut | 1 | X | ||||||
| 28 | 19M7331 | Cap Screw | 2 | X | ||||||
| 29 | 14M7168 | Lock Nut | 2 | X | ||||||
| 30 | DC30759 | Universal Joint With Shaft | 1 | X | ||||||
| key | PART NO. | PART NAME | QTY | SERIAL NO. | 540 | 545 | 550 | REMARKS | ||
| 31 | DC27146 | Universal Joint With Shaft | 1 | X | ||||||
| 32 | CC30026 | Link Chain | 1 | 300200 | - | |||||
| 33 | CC30754 | Ball Joint Socket | 1 | 300200 | - | |||||
| 34 | W36507 | Powershaft Shield | 1 | - | 300199 | |||||
| 35 | AW25429 | Powershaft Shield | 1 | - | 300199 | |||||
| 36 | DC25603 | Powershaft Shield | 1 | - | 300199 | 
| key | PART NO. | PART NAME | QTY | SERIAL NO. | 540 | 545 | 550 | REMARKS | ||
|---|---|---|---|---|---|---|---|---|---|---|
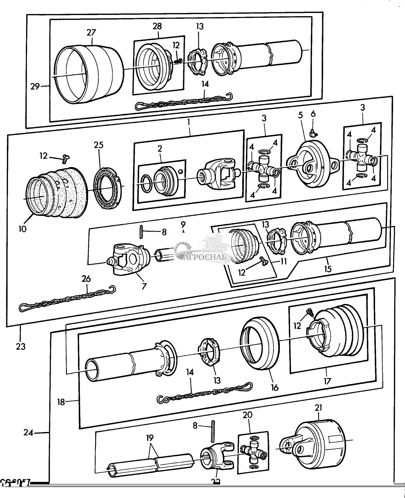
| 1 | DC25611 | Universal Joint Yoke | 1 | 278001 | - | |||||
| 2 | DC25612 | Latch | 1 | 278001 | - | |||||
| 3 | AW23612 | Cross And Bearing Assembly | 2 | 278001 | - | |||||
| 4 | W37553 | Disk | 8 | 278001 | - | |||||
| 5 | AW26816 | Universal Joint Yoke | 1 | 278001 | - | |||||
| 6 | 58M5577 | Lubrication Fitting | 1 | 278001 | - | |||||
| 7 | AE46029 | Universal Joint Yoke | 1 | 278001 | - | |||||
| 8 | 34M7066 | Spring Pin | 2 | 278001 | - | |||||
| 9 | CC25619 | Structural Tube | 1 | 278001 | - | |||||
| 10 | CC30757 | Powershaft Shield | 1 | 278308 | - | |||||
| key | PART NO. | PART NAME | QTY | SERIAL NO. | 540 | 545 | 550 | REMARKS | ||
| 11 | W40418 | Powershaft Shield | 1 | 278308 | - | |||||
| 12 | 37M7067 | Screw | AR | 278001 | - | |||||
| 13 | W36510 | Ring | 2 | 278001 | - | |||||
| 14 | Z35679 | Link Chain | 2 | 278001 | - | |||||
| 15 | DC30761 | Powershaft Shield | 1 | 278308 | - | |||||
| 16 | W37216 | Cap | 1 | 278001 | - | |||||
| 17 | DC25606 | Powershaft Shield | 1 | 278001 | - | |||||
| 18 | DC25604 | Powershaft Shield | 1 | 278001 | - | |||||
| 19 | CC25620 | Structural Tube | 1 | 278001 | - | |||||
| 20 | AW23611 | Cross And Bearing Assembly | 1 | 278001 | - | |||||
| key | PART NO. | PART NAME | QTY | SERIAL NO. | 540 | 545 | 550 | REMARKS | ||
| 21 | DC35199 | Slip Clutch | 1 | 278001 | - | |||||
| DC35828 | Slip Clutch | 1 | X | |||||||
| 22 | E75143 | Universal Joint Yoke | 1 | 278001 | - | |||||
| 23 | DC30760 | Universal Joint With Shaft | 1 | 278001 | - | |||||
| 24 | DC35198 | Universal Joint With Tube | 1 | 278001 | - | |||||
| DC35825 | Universal Joint With Tube | 1 | X | |||||||
| 25 | CC30758 | Ball Joint Socket | 1 | 278308 | - | |||||
| 26 | CC30026 | Link Chain | 1 | 278308 | - | |||||
| 27 | W36507 | Powershaft Shield | 1 | 278001 | - | 278307 | ||||
| 28 | AW25429 | Powershaft Shield | 1 | 278001 | - | 278307 | ||||
| key | PART NO. | PART NAME | QTY | SERIAL NO. | 540 | 545 | 550 | REMARKS | ||
| 29 | DC25603 | Powershaft Shield | 1 | 278001 | - | 278307 | 
 
  
  
  
 